一种锡槽氮氢保护气体的分配系统

日期:2024-07-05228

申请号202021771461.6

申请日 2020.08.21

本实用新型涉及浮法玻璃的制造技术领域,特别涉及一种锡槽氮氢保护气体的分配系统。


今晚必开生肖图特马

背景技术:

在浮法玻璃的生产过程中保护气体供应量的准确计量尤为重要。一般在氮氢站设有流量检测仪表,在生产线的氮氢混气室内设有现场显示的玻璃转子流量计和远传流量计,这些设备可以方便岗位工知道氮氢混合气流量,根据工艺要求调节参数满足生产需求。在实际生产中还有一个难点,氢气和氮气按比例混合在一起是安全无害的,但是在混合前由于各种原因氮气的流量减少或没有,此时氢气的含量达到一定浓度进入锡槽非常危险,目前在这方面还是依赖人工观察远传流量计或现场仪表等,而且在混合器混合气体之后没有对氢气动浓度进行检测,不合格的混合气体可能会流入下一个生产环节。因此需要有装置去检测氢气浓度并在浓度不符合要求时将混合气体抽出。

今晚必开生肖图特马

发明内容:

本实用新型要解决的技术问题在于提供一种检测氢气浓度并在浓度不符合要求时将混合气体抽出的一种锡槽氮氢保护气体的分配系统。

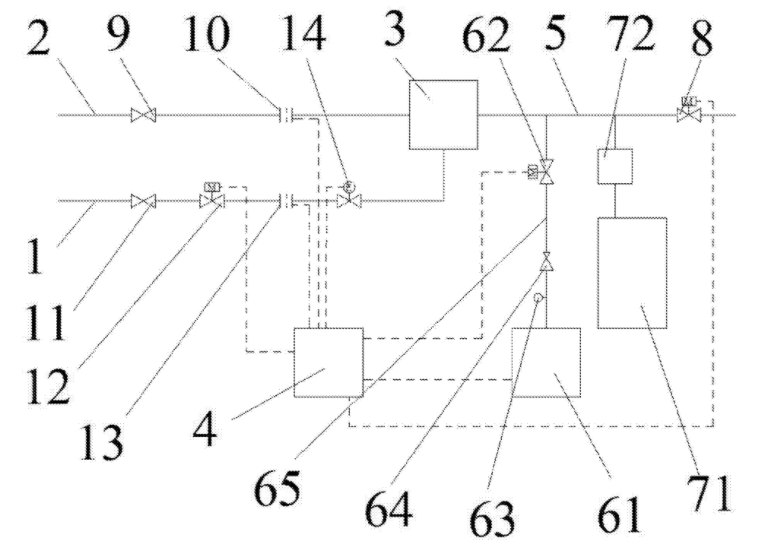
本实用新型的一种锡槽氮氢保护气体的分配系统,通过所述氢气管道和所述氮气管道将两种气体送入所述混合器进行混合,所述第一流量计用于监测氮气的流量并将流量信息反馈给所述控制模块,所述第二流量计用于监测氢气的流量将流量信息反馈给所述控制模块,所述控制模块通过流量信息得出混合气体的浓度,当氢气浓度未达到预期要求时,所述控制模块控制所述调节阀以调节氢气的进气量,进而控制混合器内的氢气的浓度,氢气浓度过大时所述控制模块控制所述第二电磁阀切断所述氢气管道的氢气流通,降低发生爆炸的风险,所述氢气浓度检测装置对混合后的气体进行检测并将检测信息反馈给所述控制模块,所述控制模块控制所述第一电磁阀和所述第二电磁阀关闭,人们将所述第一截止阀关闭后通过启动所述抽气装置将存留在所述管道内的气体抽出,降低不合格气体流入下一个环节的风险。

今晚必开生肖图特马

附图说明:

今晚必开生肖图特马

图中,1为氢气管道,2为氮气管道,3为混合器,4为控制模块,5为排气管道,6为氢气检测装置,7为抽气装置,8为第一电磁阀,9为第一截止阀,10为第一流量计,11为第二截止阀,12为第二电磁阀,13为第二流量计,14为调节阀,61为氢气浓度检测仪,62为第三电磁阀,63为压力变送器,64为减压阀,65为检测管道,71为储气罐,72为抽气泵,15为连接管道,16为第三截止阀,17为第一止回阀,18为第二止回阀。


相关工程